²úÆ·¼ò½é£º¸¡±êË®Öʼà²âÕ¾¼¯Êý¾ÝÊÕÂÞ¡¢´æ´¢¡¢´«ÊäºÍÖÎÀíÓÚÒ»ÌåµÄÎÞÈËÖµÊØµÄÊÕÂÞϵͳ
1.Ë®Öʸ¡Æ¯¼à²âÕ¾SFA¼¯Êý¾ÝÊÕÂÞ¡¢´æ´¢¡¢´«ÊäºÍÖÎÀíÓÚÒ»ÌåµÄÎÞÈËÖµÊØµÄÊÕÂÞϵͳ¡£ËüÔÚ¹¤Å©ÒµÉú²ú¡¢ÂÃÓΡ¢¶¼»áÇé¿ö¼à²â¡¢µØÖÊÔÖº¦¡¢·Àºé¡¢¹©Ë®µ÷Àí¡¢µçվˮ¿âË®ÇéÖÎÀíµÈΪĿµÄË®ÎÄ×Ô¶¯²â±¨ÏµÍ³£»¹¦Ð§Ç¿´óµÄÉÏλ»úÈí¼þ¿ÉÔ¶³ÌÊÓ²ìʵʱˮÓêÇéÐÅÏ¢£¬¾ßÓÐÊý¾Ý¿â¡¢±¨±í¡¢ÏÂÔØµÈ¹¦Ð§£¬Óû§»¹¿ÉÀûÓøù¦Ð§ÍêÉÆµÄÆøÏóÈí¼þ¶Ô¼Í¼µÄÊý¾Ý×÷½øÒ»²½µÄ´¦ÀíÆÊÎö¡£
2.Ë®Öʼà²âϵͳ¾ßÌåÓÉË®ÖÊ´«¸ÐÆ÷¡¢Êý¾ÝÊÕÂÞÒÇ¡¢Í¨Ñ¶ÏµÍ³¡¢¹©µçϵͳ¡¢ÕûÌå Ö§¼Ü¡¢Ë®Öʼà²âƽ̨Áù²¿·Ö×é³É¡£¿Éͬʱ¼à²âˮΡ¢PH¡¢ÈܽâÑõ¡¢µçµ¼ÂÊ¡¢°±µª¡¢ ×Ƕȡ¢CODµÈ£¬¶àÏîË®ÖÊÒªËØ¡£Êý¾ÝÊÕÂÞÒǾßÓÐÊý ¾ÝÊÕÂÞ¡¢ÊµÊ±Ê±ÖÓ¡¢Êý¾Ý׼ʱ´æ´¢¡¢²ÎÊýÉ趨ºÍ±ê×¼2G/4G£¨GPRS£©Í¨ÐŹ¦Ð§¡£
¶þ¡¢²úÆ·ÌØµã
1.Ò×°²ÅÅ£ºÖÖÖÖÐÍ̽ͷ½øÐи߶ȼ¯³É£¬×°Öñ㵱£»ÌṩÃâ·ÑÔÆÆ½Ì¨Ð§ÀÍ£¬ÏµÍ³¿ìËÙÉÏÏߣ»
2.Ò×ά»¤£ºÉ豸װÖúó£¬×ÔÐÐÊÂÇé¼´¿É£¬ÎÞÐèÈ˹¤ÖµÊØ£¬Ò²¿ÉÒÔͨ¹ýÔ¶³Ì¼à¿ØµÄ·½·¨°ü¹ÜÉ豸µÄÕý³£ÔËÐУ»
3.Ò×À©Õ¹£º´«¸ÐÆ÷̽ͷ¾ùʹÓÃͳһµÄͨÐÅÐÒ飬¿ÉÒÔ¿ìËÙ¶Ô½ÓÔÉ豸£¬¿ìËÙÀ©Õ¹¼à²â²ÎÊý£»
4.µÍ¹¦ºÄ£ºÉ豸¿ÉÒÔʵÏֵ͹¦ºÄ״̬Ï£¬³¤Ê±¼äÔËÐУ¬Ôö¼ÓÉ豸ʹÓõı㵱ÐÔ£»
5.ʵʱÐÔ£ºÉ豸¼à²âµ½µÄÊý¾Ýʵʱ´«ÊäÖÁÔÆÆ½Ì¨£¬ÌáÉýÇé¿öÊý¾Ý·´ÏìµÄʵʱÐÔ¡£
Èý¡¢¼¼Êõ²ÎÊý
1. Ö÷Ìå²ÎÊý
| ²úÆ·Ãû³Æ | ÃèÊö |
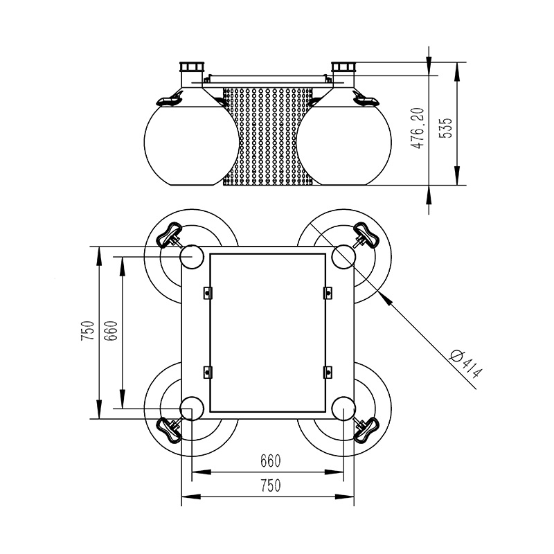
| Çé¿öË®Öʼà²â¸¡±ê | ¿ÉʵʱʵÏÖ¶à·²ÎÊýÔÚÏß¼à²â¡£¿ÉʵÏÖµç³ØµçÁ¿¼à¿Ø¡£¿ÉʵÏÖÔÆÆ½Ì¨Êý¾Ý¼à¿Ø¡¢Êý¾ÝÍÆËÍ¡¢Êý¾ÝµÄ´æ´¢ºÍ±¨¾¯¹¦Ð§£»Êý¾ÝµÄÎÞÏß·¢É书Ч¡£·åÖµ¹¦ºÄΪ 5W£»´«¸ÐÆ÷¹¦ºÄ 0.25W×óÓÒ/Ö»¡£ÍâÐγߴ磺750mm*750mm*535mm¡£¸¡ÇòÖ±¾¶414mmÖØÁ¿£º22kg |
| ÊÕÂÞÆ÷Êý¾ÝÊÕÂÞ | ÔËÐпɿ¿£¬¿¹×ÌÈÅ£¬¿É¼¯³É¶à·RS485/MODBUS-RTU´ÓÕ¾É豸 |
| ÊÕÂÞÆ÷Êý¾ÝÊä³ö | 1 · Rs485/JSONÐÒéÊä³ö |
| µç³Ø | ï®µç³Ø 12VDC£¬20AH£¨Ä¬ÈÏ£© |
| Ì«ÑôÄÜµç³Ø°å | 22.1V/50W£¨Ä¬ÈÏ£© |
| ¹©µçÄÜÁ¦ | ¶¨ÖÆÑ¡ÐÍ£»ÒõÓêÌì¼äЪÊÂÇé 5ÌìÒÔÉÏ |
| λÖÃָʾ£¨Ñ¡Å䣩 | ¾¯Ê¾µÆ£»GPS ¶¨Î»£» |
| ¼à²âƽ̨ | ÔÆÆ½Ì¨£»ÊÖ»ú/µçÄÔ¶àÖն˵Ǽ |
| ·À»¤ÕÖ | 304 ²»Ðâ¸ÖÂËͲ·À»¤ÕÖ |
| ¸¡Ìå | Ö±¾¶414mm ÇòÐθ¡Ìå*4¹¤³ÌËÜÁÏ |
2.¿ÉÑ¡Åä´«¸ÐÆ÷µÄÖ÷Òª²ÎÊý
| ÐòºÅ | ´«¸ÐÆ÷ÀàÐÍ | ÕÉÁ¿¹æÄ£ | ÕÉÁ¿ÔÀí | ÕÉÁ¿¾«¶È |
| 1 | ÎÂ¶È | 0~50¡æ | ¸ß¾«¶ÈÊý×Ö´«¸ÐÆ÷ | ¡À0.3¡æ |
| 2 | pH | 0~14£¨ph£© | µç»¯Ñ§£¨ÑÎÇÅ£© | ¡À 0.1PH |
| 3 | ÈܽâÑõ | 0~20mg/L | Ó«¹âÊÙÃü·¨ | ¡À 2% |
| 4 | µçµ¼ÂÊ | 0~5000uS/cm | ½Ó´¥Ê½µç¼«·¨ | ¡À 1.5% |
| 5 | ×Ç¶È | 0~40NTU£¨Ñ¡Å䣩 | É¢Éä¹â·¨ | ¡À 1% |
| 6 | ORP | -1500mv~1500mv | µç»¯Ñ§£¨ÑÎÇÅ£© | ¡À 6mv |
| 7 | ï§Àë×Ó | 1-100mg/l | Àë×ÓÑ¡Ôñµç¼«·¨ | ¡À 5mg |
¿Éƾ¾Ý¿Í»§µÄʵ¼ÊÇé¿ö¼°ËùÒªµÖ´ïµÄ¼¼ÊõÖ¸±ê¶¨ÖƺÏÊʵļì²â¼Æ»®
×¢Ò⣺ ´«¸ÐÆ÷×°ÖÃʱ²»¿Éµ¹ÖûòÕßˮƽװÖ㬠ÖÁÉÙÇãб 15 ¶È½ÇÒÔÉÏ×°ÖÃ,
ÒÔÉÏË®ÖÊ´«¸ÐÆ÷ÊÂÇéÇé¿ö0-50¡æ£¬<0.3Mpa¡£
ËÄ¡¢²úÆ·³ß´çͼ

Îå¡¢É豸װÖÃÒªÇó
1.Ô¶Àë´ó¹¦ÂÊÎÞÏߵ緢ÉäÔ´
2.Ô¶Àë¸ßѹÊäµçÏߺÍ΢²¨ÎÞÏߵ紫ËÍͨµÀ
3.¾¡Á¿¿¿½üÊý¾Ý´«ÊäÍøÂç
4.Ô¶ÀëÇ¿µç´Å×ÌÈÅ